Ac Dc Inverter
Cotek Sd2500 148 Gfci Ac Dc Inverter Sunwize Power Independence
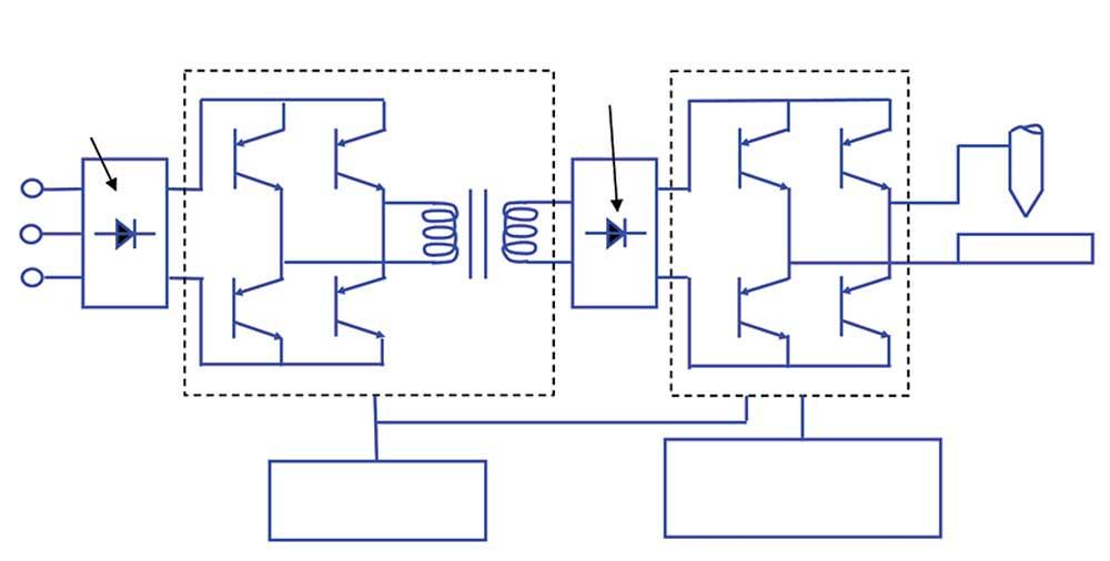
China Ac Dc Inverter Igbt Tig Mma Welding Machine For Aluminum Weld China Welding Machine Welder
Ac Dc Inverter Dc Ac Inverters Electronic Inverters Electric Inverters Dc To Ac Inverters Dc Ac Inverters In Kalbadevi Mumbai Electra Welding Equipments Id
Dc Ac Inverters Single Three Phase Output Helios Power Solutions
Riland 250a Tig Gtaw Ac Dc Inverter Zirconst International Marketing Corp
10 Things You Need To Know About The Dc Inverter Ac This Summer Brandsynario
When The Heat Is On Consider The Advantages Of An Inverter Air Conditioner
Se400 Cotek Ac Dc Inverter 400w 12 48vdc 115vac Sunwize
10 62 Free Shipping Ac Dc Inverter 100 265v To 36v 5a Adapter Switching Power Supply Smps 36v 5a At M Fasttech Com Fasttech Mobile
Cobra 400 Watt Compact Power Inverter Cpi 450 12v Dc To 115v Ac
2v Wsme 0 Ac Dc Pulse Tig Welder Welding Machine Aluminium Tig 0 Tig 0p For Sale Online Ebay
Digital Wig Welding Machine Ac Dc Wig 241 Puls D Vector Welding W
Acopower 2wh Portable Solar Generator For Camping 60 000mah Lithium Ion Battery With Ac Dc Inverter Power Bank Usb 5v Dc 12v Ac 110v Input Ac Car Solar Panel Walmart Com Walmart Com
Amazon Com Install Bay 800 Watt Ac Dc Power Inverter Mpi 800 Power Inverters Automotive
Metal Man Inverter Ac Dc Tig 0a Dual Voltage Welder 1 240v 10 135a 1v 10 0a 240v Mm0idv Acdc At Tractor Supply Co
Power Inverter Dc To Ac Inverter Inverter Com
Sherman Digitig 6p Ac Dc Inverter Type Argon Welding Machine Tig Welding Machines Welding Machines And Eqipment Industar Lv
Riland Tig 250p Ac Dc Inverter 2in1 Welding Machine Goldpeak Tools Ph
Hbm Tig 0 Ac Dc Inverter Hbm Machines
Awelco Tig 210 Ac Dc Tig Inverter Welder Best Deal On Agrieuro
How To Make Simple Dc To Ac Inverter ᴴᴰ Youtube
3 Phase Pure Sine Wave Dc Ac Inverters Deliver 1000va Output Voltage
Amazon Com Wagan 3716 500w Slim Line Ac To Dc Inverter 500w Truerated 1000w Surge Power Inverter
48v Dc 240v Ac Inverter 4kw Ac Dc Inverter Rack Mount Install For Telecom Dc Cabinet Buy Inverter 4kw 48v Dc 240v Ac Inverter Ac Dc Inverter Product On Alibaba Com
Ac Dc Tig Welder V341 300a Vector Welding Welding Devices And Pla
Jasic 0 Amp Tig Ac Dc Inverter Welder From Proweld
Haier Dc Inverter Ac Ampere Testing How Much Unit Consume Haier Ups Ac Youtube
Sherman Tig 1 Ac Dc Inverter Type Argon Welding Machine Tig Welding Machines Welding Machines And Eqipment Industar Lv
Dc Ac Inverter Ac Control Board Aircon Parts
Dc Ac Power Inverters 12v 24 Volt Voltage Converter Adapter Dcacpowerinverters Com
Amazon Com Ampeak 1000w Power Inverter Truck Rv Inverter 12v Dc To 110v Ac Converter With Dual Ac Outlets 2 1a Usb Modified Sine Wave Inverter Car Electronics
600vdc Input 400va High Input Voltage Dc Ac Sine Wave Inverters
Time To Source Smarter Aluminium Welding Machine Tig Welder Welding Machine
Sps 300usb 300w Intelligent Dc Ac Power Inverter With Microcontroller
Car Ac Dc Converter
Ronch 0 Tig Ac Dc Inverter Welder
Buy Haier Hsu 12hn Dc Inverter Ac 1 Ton Karachi Only At Best Price In Pakistan
Ac Dc Inverter 0w 12 24vdc 115vac Cotek Se0
Mascot 150w Dc Ac Car Power Inverter 12v Dc 230v Ac 735 0706 Rs Malta Online
Tig Welder 0 Amp Ac Dc Pulse Inverter Mag Power 115 230vac
China Tig 315 Ac Dc Inverter Manual Welding Machine China Ac Dc Tig Welding Machine Aluminum Welding Machine
Under The Skin How Better Ac Dc Inversion Will Boost Evs Autocar
Tig Up 403h Ac Dc Water Cooled Package Inverter 400v 3 Phase Equipcentre
Cotek Sl3000 112 Ac Dc Inverter Charger Sunwize Power Independence
China 4kw Solar Inverters Prices Ac Dc Inverters China Hybrid Solar Inverter Solar Inverter
Amazon Com Wagan 3714 250w Slim Line Ac To Dc Inverter 250w Truerated 500w Surge Power Inverter Car Electronics
Aims Power 3 000 Watt Pure Sine Rack Mount Inverter 48 Volt Dc To 1 Volt Ac 2u Prm3000w481s The Home Depot
Dual Inverter Ac Dc Gtaw Machine Welds Thin Thick Plate
Ac Dc Inverter Converter Power Switching Module Ac 2v To Dc 12v 3a 24v 1 5a 36w Voltage Regulated Step Down Power Supply Board Leather Bag
60w 12v To 12v Ac Dc Power Converter 10 28v To 12v Dc Variable Voltage Module Waterproof Inverters Converters Aliexpress
Ac Dc Inverter Tig Welder Tig Welding Spm Tig Welding Special Purpose Machine Tig व ल ड ग मश न Fairdeal Agencies Pvt Ltd Ludhiana Id
Jual Inverter Ac Dc Acoustic 1000 Watt Jakarta Barat Jolie Collection Tokopedia
Ac Dc Bridge Rectifier And Dc Dc Inverter Circuit Download Scientific Diagram
Amazon Com 1000 Watt Power Inverter 12 Volt Dc To 110 Volt Ac Car Electronics
Dual Inverter Ac Dc Gtaw Machine Welds Thin Thick Plate
Solar Pv Inverter Dc To Ac 2v Three Phase Motor Converter Power Supply Electronics Converter Youtube
Car Power Inverters With Ac Dc Dc Ac For Sale Ebay
Woodward Fab Ac Dc Inverter Tig Welder Tig 250 Woodward Fab Auto Body Toolmart
China Osyea 100 Solar Air Conditioner Split Hybrid Ac Dc Inverter Pure China Air Conditioner And Heat Pump Price
Dc Ac Inverters Single Three Phase Output Helios Power Solutions
Helvi Compact 2 Ac Dc Inverter Tig Welder Machine Only 230v Ebay
China 94v0 Power Supply Circuit Board Pcb Ac Dc Inverter Pcb Board Power Adapter On Global Sources
00 Watt Pure Sine Wave Power Inverter 12v Dc To 240v Ac Ato Com
Isolated 15kw 450v Ac Dc Converter Battery Charger With Can Control
Tn 3000 224b 3000w Dc Ac Car Power Inverter 21 30v Dc 230v Ac Rs Components
Topwell Tig Inverter Stick Ac Dc Welder Aluminum Tig Welding Machine 250amp Single Phase Amazon Com
Simplest Inverter Ever 12v To 2v Ac Dc To Ac Converter Diy Youtube
Sp 600c 600w Intelligent Dc Ac 2 In 1 Power Inverter Charger
Best 1 Ton Inverter Ac Price In Pakistan Reason Electronics
China 500w Battery Inverter 24v 12v Dc Ac Ac Dc Ups Charger Inverter China Battery Inverter Ups Charger Inverter
Dc Ac Inverters Toyota Industries Corporation
Pv Performance Modeling Collaborative Cec Inverter Test Protocol
Mean Well Dc Ac Inverters
How Dc Ac Power Inverters Work Howstuffworks
Universal Dc Ac Inverter A C Control Board Qd80c For Split Air Conditioner Control System Remote And Computer Board Saia Universal A C Control Remote Control Controllerremote Control Aliexpress
Dc To Ac Converters Power Inverters Dc Ac Microchip Technology
Buy Orient 1 Ton Classic Smart Edition Dc Inverter 12g Karachi Only At Best Price In Pakistan
How To Make Ac To Dc Converter At Home Youtube
Buy Weldarc 0i Ac Dc Mc105 0 By Wia Online
Dc Inverter Air Conditioner 9000 Btu Window Ac Unit Buy Air Conditioner Window Window Ac Unit 9000 Btu Window Product On Alibaba Com
Complete Closed Loop Ac Dc Ac System Simulink Model With The Two Level Download Scientific Diagram
What Dc To Ac Inverter Load Ratio Is Ideal For Your Application
Ac Dc Inverter 110v 2v 100 265v To 24v 6a Switching Power Supply Smps Adapter For Sale Online Ebay
Cigweld Weldskill 180 Ac Dc Inverter Tasweld
Power Bright 12 Volt Dc To Ac 2300 Watt Power Inverter Pw2300 12 The Home Depot
Welder Ac Dc Tig 0 Amp Pulse Mma Arc Welder And 50 A Plasma Cutter Arc Welders Aliexpress
Ac Dc Inverter 100 240v To 36v 5a 180w Switching Power Adapter Converter Module Sale Banggood Com
Rilon Ac Dc 0p 1 Phase Ac Dc Inverter Based Welding Machine Buy Online Best Price In India Lion Tools Mart
Cotek Sp1000 Ac Dc Inverter Sunwize Power Independence
Dc Ac Inverter Archives Samlex
Gree Ac 18cith11b Dc Inverter Special Eid Offer Ac Coolers
Power Inverters Amazon Com
Sp 1500 1500w Intelligent Dc Ac Power Inverter With Microcontroller
1000 Watt Car Power Inverter 12v Dc To 2v Ac Ato Com
Suoer Led Display Solar Smart Intelligent Power Inverter 230v 24v 00w Ac Dc Inverter ร บประก น1เด อน Shopee Thailand
Dc To Ac Inverters Walmart Com
El Inverter Ac Dc Series Supply For Over 21 Years Cochief Industrial Co Ltd
Power Supply Ac Dc Motor 24v Ac To 5v Dc 12v Ac To 5v Dc Converter Buy Ac Dc Inverter Power Inverter 12v Battery Inverter Power Supply Adapter Power Supply Ac Dc
3000w 12v To 2v Solar Inverter Without Battery 3kw Power Inverter With Charger Off Grid 3000w Inverter Ac Dc Inverter Invert Paintball Inverter Switchinverter Tig Welding Machine Aliexpress
Auto Legelo Feszek 12v Dc 12v Ac Converter 4communitydevelopment Org


